Eclatés de véhicule - DERBI QUAD 200 QUAD DXR 200cc 2004 2ª edicion
Tous les éclatés de ce véhicule
-
-
1 Chassis
-
10 Guidon
-
11 Commandes
-
12 Chassis
-
13 Chassis
-
14 Selle deux places
-
15 Roue Av.
-
16 Roue arrière
-
17 Bobine
-
18 Frein arriere
-
19 Feux avant
-
2 Suspension avant
-
20 Phare avant
-
21 Circuit electrique
-
22 Répartiteur
-
23 Clignotement
-
24 Instruments
-
25 Renvoi compteur km
-
26 Cylindre
-
27 Arbre moteur
-
28 Griffe
-
29 Carters
-
3 Fourche arriere
-
30 Couvercle carter variateur
-
31 Couvercle carter variateur
-
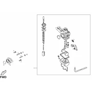
32 Carburateur
-
33 Tuyau d’échappement
-
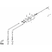
34 Pompe huile
-
35 Embrayage
-
36 Transmission
-
37 Démarreur
-
38 Levier boîte de vitesses
-
39 Plaquettes
-
4 Amortisseur
-
5 Protection
-
6 Réservoir essence
-
7 Repose-Pieds
-
8 Direction
-
9 Rouleau de guidage