Eclatés de véhicule - DERBI QUAND 250 QUAD DXR 250cc 2004 2ª edicion
Tous les éclatés de ce véhicule
-
-
041 Plaquettes
-
1 Béquille
-
10 Guidon
-
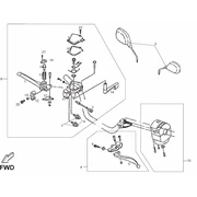
11 Commandes
-
12 Chassis
-
13 Chassis
-
14 Selle
-
15 Roue Av.
-
16 Roue arrière
-
17 Bobine
-
18 Frein arriere
-
19 Feux avant
-
2 Suspension avant
-
20 Phare avant
-
21 Dispositifs électriques
-
22 Répartiteur
-
23 Clignotement
-
24 Instruments
-
25 Renvoi compteur km
-
26 Cylindre
-
27 Arbre moteur
-
28 Arbre à cames
-
29 Chaîne
-
3 Fourche arriere
-
30 Transmission
-
31 Carters
-
32 Carters
-
33 Carters
-
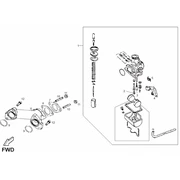
34 Carburateur
-
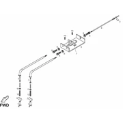
35 Tuyau d’échappement
-
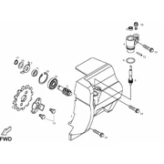
36 Pompe huile
-
37 Embrayage
-
38 Démarreur
-
39 Levier boîte de vitesses
-
4 Amortisseur
-
40 Radiateur huile
-
5 Protection
-
6 Réservoir essence
-
7 Repose-Pieds
-
8 Direction
-
9 Rouleau de guidage