Vehicle Exploded View - MOTO-GUZZI SPORT 1200 8V 2008-2013
All the exploded views of this vehicle
-
-
00.01 Accessoires
-
33.01 Chassis
-
33.02 Bequille
-
33.03 Repose-pieds i
-
33.04 Repose-pieds ii
-
33.05 Levier boite de vitesses
-
33.06 Direction
-
33.07 Fourche av.
-
33.08 Fourche arriere
-
33.12 Biellette et der. amortisseur
-
33.13 Reservoir essence
-
33.14 Carrosserie av. i
-
33.15 Carrosserie av. ii
-
33.16 Embasement
-
33.17 Garde-boue av
-
33.18 Selle-carrosserie cent.
-
33.19 Carrosserie arriere - garde-boue
-
33.20 Carr. arriere - qu.car
-
33.21 Tableau de bord
-
33.22 Guidon - commandes
-
33.23 Mait. cyl. frein av
-
33.24 Commande embrayage cpl
-
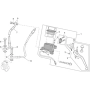
33.25 Radiateur huile
-
33.26 Installation blow-by
-
33.27 Alimentation
-
33.28 Corps filtre
-
33.29 Groupe echappement
-
33.30 Pompe ess. interne
-
33.31 Roue av.
-
33.32 Pince frein avant
-
33.33 Roue arriere
-
33.34 Mait.cyl. frein ar
-
33.35 Pince frein ar
-
33.36 Systeme frein abs
-
33.37 Feu av/klaxon
-
33.38 Feu arriere
-
33.39 Circuit electrique i
-
33.40 Circuit electrique ii
-
33.41 Kit serrure
-
33.42 Plaquettes-decal.
-
34.09 Transmission cpl.
-
34.10 Trans.cpl.-vitesses
-
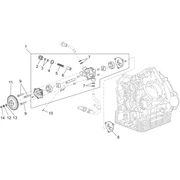
34.11 Trans.cpl.-couple conique
-
34.43 Carter i
-
34.44 Carter ii
-
34.45 Culasse - soupapes
-
34.46 Couvre-culasse
-
34.47 Distribution cylindre droite
-
34.48 Distribution cylindre gauche
-
34.49 Arbre moteur - cylindre
-
34.50 Distribution
-
34.51 Lubrification
-
34.52 Pompe huile
-
34.53 Filtres à huile
-
34.54 Embrayage
-
34.55 Carter de boite vitesses
-
34.56 Selecteur boite de vitesses
-
34.57 Arbre primaire boite de vitesses
-
34.58 Arbre secondaire
-
34.59 Arbre embrayage
-
34.60 Generateur de courant
-
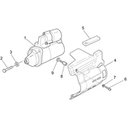
34.61 Demarreur
-
34.62 Corps à papillon
-
36.63 Specific tools I
-
36.64 Specific tools ii