Vehicle Exploded View - PIAGGIO VU APE CALESSINO 200 Ape Calessino 200 E4 Model Year 2019
All the exploded views of this vehicle
-
-
01.01 Moteur complet
-
01.02 Carter
-
01.03 Vilebrequin
-
01.04 Groupe cylindre-piston-axe
-
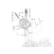
01.05 Ensemble culasse - Soupape
-
01.06 Groupe support balanciers
-
01.07 Couvercle culasse
-
01.08 Pompe à huile
-
01.09 Démarrage - Démarrage électrique
-
01.10 Volant magnetique
-
01.11 Couvercle volant magnetique - Filtre à huile
-
01.12 Composants de la boîte de vitesses
-
01.13 Embrayage
-
01.14 Différentiel
-
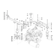
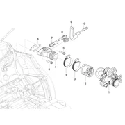
01.16 Boîtier papillon - Injecteur - Raccord d'admission
-
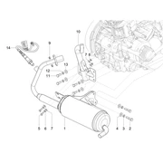
01.18 Silencieux
-
01.19 Bobine H.T.
-
01.20 Filtre à air
-
02.01 Châssis/coque
-
02.02 Châssis de couvertures
-
02.05 Supports moteur
-
02.06 Portières avant - Vitre
-
02.07 Cabine - Portes
-
02.08 Ceintures de sécurité
-
02.10 Pare-brise - Glaces
-
02.11 Logement roue - Garde boue
-
02.15 Monogrammes - Decorations
-
02.16 Sièges avant
-
02.17 Sièges arrière
-
02.18 Revêtements - Coverage
-
02.19 Rétroviseur/s
-
02.20 Serrures
-
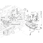
02.21 Réservoir carburant
-
02.25 Composants de la cabine
-
03.02 Groupe instruments - Cruscotto
-
03.03 Guidon - Maître cylindre
-
04.01 Fourche/tube direction - Ensemble butée dir.
-
04.03 Suspension arrière - Amortisseur/s
-
04.04 Roues avant et arrière
-
04.05 Roue de secours - Trousse à outils
-
04.06 Transmission arrière
-
05.02 Mâchoire
-
05.03 Transmissions
-
05.04 Système de freinage
-
05.05 Groupe pédales - Leviers
-
06.01 Inverseurs - Commutateurs - Boutons - Interrupteurs
-
06.02 Eclairages avant - Clignotants
-
06.03 Eclairages arrière - Clignotants
-
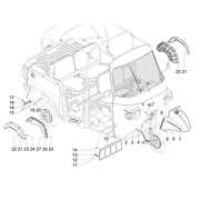
06.06 Faisceau de câbles principal
-
06.07 Dispositifs électriques
-
06.08 Essuie-glaces avant et arrière