mobile menu icon P2R logo

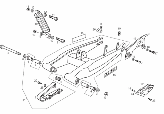
Vehicle Exploded View - DERBI SENDA SM 50 SENDA SM X-RACE 2005 E2 2ª ed DERBI

Tables : 3 FOURCHE ARRIERE - AMORTISSEUR
Fourche arriere - Amortisseur
Search
00H003089715 - BRAS OSCILLANT

1

P2R reference P2R reference
Maker reference Maker reference
More information

Quantity required : 1

REAR WHEEL AXLE/SWINGING ARM AXLE "PIAGGIO GENUINE PART" GILERA 50 SMT, RCR 2006> APRILIA 50 SX, RX 2006> Ø 12 mm -00H013042025

2

P2R reference P2R reference
Maker reference Maker reference
More information

Quantity required : 1

709037 - RONDELLE

3

P2R reference P2R reference
Maker reference Maker reference
More information

Quantity required : 1

709037 - RONDELLE

3

P2R reference P2R reference
Maker reference Maker reference
More information

Quantity required : 1

SPACER- FOR SWINGING ARM AXLE "PIAGGIO GENUINE PART" GILERA 50 SMT, RCR/APRILIA 50 SX, RX -00002503230

4

P2R reference P2R reference
Maker reference Maker reference
More information

Quantity required : 1

SPACER- FOR SWINGING ARM AXLE "PIAGGIO GENUINE PART" GILERA 50 SMT, RCR/APRILIA 50 SX, RX -00H00301401

5

P2R reference P2R reference
Maker reference Maker reference
More information

Quantity required : 1

WASHER FOR MOTOR SUPPORT AXLE "PIAGGIO GENUINE PART" GILERA 50 SMT, RCR/APRILIA 50 SX, RX -00D01300192

6

P2R reference P2R reference
Maker reference Maker reference
More information

Quantity required : 1

SCREW - FOR HEADLIGHT FASTENING (6x100) "PIAGGIO GENUINE PART" APRILIA 750-900 SHIVER, DORSODURO, MANA -478171

7

P2R reference P2R reference
Maker reference Maker reference
More information

Quantity required : 1

8

P2R reference P2R reference
Maker reference Maker reference
CHAIN GUIDE PLATE "PIAGGIO GENUINE PART" GILERA 50 SMT 2003>, RCR 2003>/APRILIA 50 SX-RX 2006> -00H01803331

9

P2R reference P2R reference
Maker reference Maker reference
More information

Quantity required : 1

00H01508191 - AMORTISSEUR

10

P2R reference P2R reference
Maker reference Maker reference
More information

Quantity required : 1

00H00303892 - BOULON TETE HEX. M12 175X58

11

P2R reference P2R reference
Maker reference Maker reference
More information

Quantity required : 1

00003115422 - ROND. PLATE MECANISSE

12

P2R reference P2R reference
Maker reference Maker reference
More information

Quantity required : 1

NUT - SAFETY NUT FOR SUPENSION ARM (12X175) "PIAGGIO GENUINE PART" GILERA 50 SMT, RCR/APRILIA 50 SX, RX -00023112000

13

P2R reference P2R reference
Maker reference Maker reference
More information

Quantity required : 1

NUT - SAFETY NUT FOR CHAIN TENSIONER 6M100 "PIAGGIO GENUINE PART" GILERA 50 SMT, RCR/APRILIA 50 RS, SX, RX -00000023060

14

P2R reference P2R reference
Maker reference Maker reference
More information

Quantity required : 1

00H00309331 - ADHESIF

15

P2R reference P2R reference
Maker reference Maker reference
More information

Quantity required : 1

CHAIN GUARD "PIAGGIO GENUINE PART" GILERA 50 SMT, RCR/APRILIA 50 SX, RX -00H01508181

16

P2R reference P2R reference
Maker reference Maker reference
More information

Quantity required : 1

SCREW - (M6X1000X16) AIR FILTER FASTENING "PIAGGIO GENUINE PART" GILERA 50 SMT, RCR/APRILIA 50 SX, RX, -00012161600

17

P2R reference P2R reference
Maker reference Maker reference
More information

Quantity required : 1

WASHER (Ø6) "PIAGGIO GENUINE PART" GILERA 50 SMT, RCR/APRILIA 50 SX, RX, RS -00D01200171

18

P2R reference P2R reference
Maker reference Maker reference
More information

Quantity required : 1

SPRING PLATE (M6) "PIAGGIO GENUINE PART" COMMON FOR ALL THE RANGE -254485

19

P2R reference P2R reference
Maker reference Maker reference
More information

Quantity required : 1

SCREW - FOR RADIATOR GRILLE COVER "PIAGGIO GENUINE PART" GILERA 50 SMT, RCR/APRILIA 50 RS, RX, SX -00011141300

20

P2R reference P2R reference
Maker reference Maker reference
More information

Quantity required : 1

00H00300912 - VIS FIXATION AMORTISSEUR

21

P2R reference P2R reference
Maker reference Maker reference
More information

Quantity required : 1

00H01502871 - GUIDE CHAINE

22

P2R reference P2R reference
Maker reference Maker reference
More information

Quantity required : 1

SCREW - FOR HEADLIGHT FASTENING (6x100) "PIAGGIO GENUINE PART" APRILIA 750-900 SHIVER, DORSODURO, MANA -478171

23

P2R reference P2R reference
Maker reference Maker reference
More information

Quantity required : 1

BOULON              S03105900

24

P2R reference P2R reference
Maker reference Maker reference
WASHER "PIAGGIO GENUINE PART" GILERA 50 SMT, RCR/APRILIA 50 SX, RX, RS -847226

25

P2R reference P2R reference
Maker reference Maker reference
More information

Quantity required : 1

FAIRLEAD "PIAGGIO GENUINE PART" GILERA 50 SMT, RCR, RS, SX, RX 2004>2010 -864454

26

P2R reference P2R reference
Maker reference Maker reference
More information

Quantity required : 1

All the exploded views of this vehicle

Filter :
Or choose :