1
|
 |
Référence P2R |
69934
|
 |
Référence constructeur |
86193R |
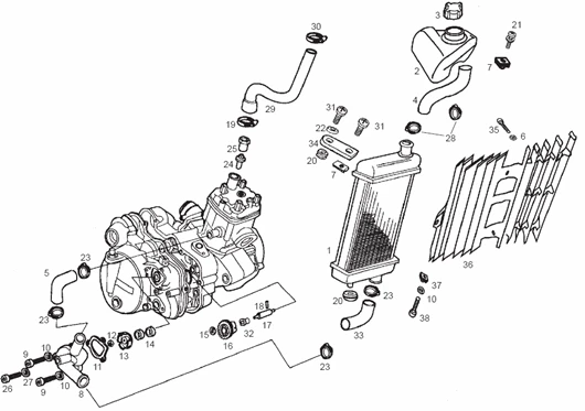
RADIATEUR 50 A BOITE ORIGINE PIAGGIO 50 GILERA RCR , SMT 2006>2010/DERBI SENDA 2000>2010 -86193R
Plus d'informations
Quantité requise :
1
|
2
|
 |
Référence P2R |
188021
|
 |
Référence constructeur |
00H03804501 |
00H03804501 - VASE DIEXPANSION - PRODUIT NON REMPLACEMENT NON DÉFINI
Plus d'informations
Quantité requise :
1
|
3
|
 |
Référence P2R |
64858
|
 |
Référence constructeur |
00H03802472 |
BOUCHON DE RESERVOIR LIQUIDE REFROIDISSEMENT ORIGINE DERBI 50 SENDA 2004>/GILERA 50 SMT, RCR 2006> /APRILIA 50 RS, SX, RX 2006> -00H03802472
Plus d'informations
Quantité requise :
1
|
4
|
 |
Référence P2R |
64105
|
 |
Référence constructeur |
00G03800601 |
00G03800601 - TUBE POMPE-RADIATEUR
Plus d'informations
Quantité requise :
1
|
5
|
 |
Référence P2R |
64844
|
 |
Référence constructeur |
00H03801041 |
DURITE REFROIDISSEMENT POMPE-CYLINDRE ORIGINE PIAGGIO 50 GILERA SMT, RCR 1998>2005/DERBI SENDA 2005< -00H03801041
Plus d'informations
Quantité requise :
1
|
6
|
 |
Référence P2R |
69480
|
 |
Référence constructeur |
847181 |
RONDELLE PLATE (5X15X1) ORIGINE PIAGGIO COMMUN A LA GAMME -847181
Plus d'informations
Quantité requise :
1
|
7
|
 |
Référence P2R |
66009
|
 |
Référence constructeur |
254485 |
ECROU TOLE (M6) ORIGINE PIAGGIO COMMUN A LA GAMME -254485
Plus d'informations
Quantité requise :
1
|
8
|
 |
Référence P2R |
187730
|
 |
Référence constructeur |
00H03800134 |
00H03800134 - COUVERCLE DE POMPE D,EAU - PRODUIT NON REMPLACEMENT NON DÉFINI
Plus d'informations
Quantité requise :
1
|
9
|
 |
Référence P2R |
63614
|
 |
Référence constructeur |
000020520515 |
VIS BTR (5X15) ORIGINE PIAGGIO COMMUN A LA GAMME -00002052051
Plus d'informations
Quantité requise :
1
|
10
|
 |
Référence P2R |
69496
|
 |
Référence constructeur |
847226 |
RONDELLE PLATE (5X10) ORIGINE PIAGGIO COMMUN A LA GAMME -847226
Plus d'informations
Quantité requise :
1
|
11
|
 |
Référence P2R |
64832
|
 |
Référence constructeur |
00H03800141 |
JOINT COUVERCLE DE POMPE EAU ORIGINE DERBI 50 SENDA 2005</ GILERA 50 SMT, RCR 1998>2004 -00H03800141
Plus d'informations
Quantité requise :
1
|
12
|
 |
Référence P2R |
69445
|
 |
Référence constructeur |
847067 |
ECROU ARBRE DE POMPE A EAU ORIGINE DERBI 50 SENDA/GILERA 50 SMT -847067
Plus d'informations
Quantité requise :
1
|
13
|
 |
Référence P2R |
64833
|
 |
Référence constructeur |
00H03800151 |
TURBINE DE POMPE A EAU ORIGINE PIAGGIO GILERA 50 SMT, RCR, GSM, HAK, ZULU 1998>2005/DERBI SENDA 2005< -00H03800151
Plus d'informations
Quantité requise :
1
|
14
|
 |
Référence P2R |
64873
|
 |
Référence constructeur |
00H03810211 |
JOINT DE POMPE A EAU ORIGINE PIAGGIO 50 GILERA SMT, RCR 1998>2003/DERBI SENDA 2005< (VENDU A L UNITE) -00H03810211
Plus d'informations
Quantité requise :
1
|
15
|
 |
Référence P2R |
69495
|
 |
Référence constructeur |
847224 |
RONDELLE DE VIS PLAQUE D'APPUIS EMBRAYAGE ORIGINE PIAGGIO GILERA 50 SMT, RCR/DERBI 50 SENDA 2000>/APRILIA 50 SX, RX, RS -847224
Plus d'informations
Quantité requise :
1
|
16
|
 |
Référence P2R |
64837
|
 |
Référence constructeur |
00H03800381 |
PIGNON DE POMPE A HUILE ORIGINE DERBI 50 SENDA 2005</GILERA 50 SMT, RCR, GSM, HAK, ZULU 2005< -00H03800381
Plus d'informations
Quantité requise :
1
|
17
|
 |
Référence P2R |
64834
|
 |
Référence constructeur |
00H03800161 |
AXE POMPE A EAU ORIGINE PIAGGIO GILERA 50 SMT, RCR E2, GSM, HAK, ZULU/DERBI 50 SENDA 2005< -00H03800161
Plus d'informations
Quantité requise :
1
|
18
|
 |
Référence P2R |
63740
|
 |
Référence constructeur |
000530300005 |
GOUPILLE POMPE A HUILE ORIGINE DERBI 50 SENDA 2005< -00053030000
Plus d'informations
Quantité requise :
1
|
19
|
 |
Référence P2R |
64839
|
 |
Référence constructeur |
00H03800451 |
COLLIER 25-40 ORIGINE PIAGGIO COMMUN A LA GAMME -00H03800451
Plus d'informations
Quantité requise :
1
|
20
|
 |
Référence P2R |
63673
|
 |
Référence constructeur |
000089150205 |
SILENTBLOC DE RADIATEUR ORIGINE PIAGGIO 50 GILERA SMT, RCR 2006>/DERBI SENDA 2000>/APRILIA RS 2006>2011, SX, RX 2006> - 00008915020
Plus d'informations
Quantité requise :
1
|
21
|
 |
Référence P2R |
65008
|
 |
Référence constructeur |
00H05900021 |
VIS CRUCIFORME (6X16) BOCAL REFROIDISSEMENT ORIGINE PIAGGIO 50 GILERA SMT, RCR/DERBI SENDA 2005>2015/APRILIA SX, RX -00H05900021
Plus d'informations
Quantité requise :
1
|
22
|
 |
Référence P2R |
63883
|
 |
Référence constructeur |
00D01500552 |
RONDELLE SPECIALE ORIGINE PIAGGIO COMMUN A LA GAMME-00D01500552
Plus d'informations
Quantité requise :
1
|
23
|
 |
Référence P2R |
64852
|
 |
Référence constructeur |
00H03801751 |
COLLIER DURITE (22.8) ORIGINE PIAGGIO COMMUN A LA GAMME -00H03801751
Plus d'informations
Quantité requise :
1
|
24
|
 |
Référence P2R |
66631
|
 |
Référence constructeur |
483395 |
CALORSTAT/THERMOSTAT ORIGINE DERBI 50 SENDA 2003>/PIAGGIO 50 NRG, ZIP LIQUIDE/GILERA 50 RUNNER, DNA, SMT, RCR/APRILIA 50 RS, SR LIQUIDE -483395
Plus d'informations
Quantité requise :
1
|
25
|
 |
Référence P2R |
187609
|
 |
Référence constructeur |
00H03810421 |
00H03810421 - ECROU - PRODUIT NON REMPLACEMENT NON DÉFINI
Plus d'informations
Quantité requise :
1
|
26
|
 |
Référence P2R |
63613
|
 |
Référence constructeur |
000020512515 |
00002051251 - VIS A TETE CREUSE 5M80X12 N
Plus d'informations
Quantité requise :
1
|
27
|
 |
Référence P2R |
64838
|
 |
Référence constructeur |
00H03800441 |
RONDELLE PLATE ORIGINE PIAGGIO COMMUN A LA GAMME-00H03800441
Plus d'informations
Quantité requise :
1
|
28
|
 |
Référence P2R |
64108
|
 |
Référence constructeur |
00G03801701 |
COLLIER DURITE ORIGINE PIAGGIO COMMUN A LA GAMME
Plus d'informations
Quantité requise :
1
|
29
|
 |
Référence P2R |
64863
|
 |
Référence constructeur |
00H03804021 |
DURITE REFROIDISSEMENT DE CULASSE VERS VASE EXPENSION ORIGINE PIAGGIO 50 GILERA SMT, RCR 1998>2005/DERBI SENDA 2000<2005 -00H03804021
Plus d'informations
Quantité requise :
1
|
30
|
 |
Référence P2R |
63670
|
 |
Référence constructeur |
000082045005 |
00008204500 - COLLIER COBRA 21/8 W4
Plus d'informations
Quantité requise :
1
|
31
|
 |
Référence P2R |
63752
|
 |
Référence constructeur |
000920612145 |
00092061214 - VIS A TETE RONDE A FENTES C
Plus d'informations
Quantité requise :
1
|
32
|
 |
Référence P2R |
64836
|
 |
Référence constructeur |
00H03800231 |
DOUILLE AXE DE POMPE A EAU ORIGINE PIAGGIO GILERA 50 SMT, RCR E2, GSM, HAK, ZULU 2005< -00H03800231
Plus d'informations
Quantité requise :
1
|
33
|
 |
Référence P2R |
64854
|
 |
Référence constructeur |
00H03802031 |
DURITE/TUYAU DE REFROIDISSEMENT (POMPE-RADIATEUR) ORIGINE DERBI 50 SENDA 2000>2010 /GILERA 50 SMT, RCR 2006>2010 -00H03802031
Plus d'informations
Quantité requise :
1
|
34
|
 |
Référence P2R |
64024
|
 |
Référence constructeur |
00G02200692 |
SUPPORT DE RADIATEUR ORIGINE PIAGGIO 50 GILERA SMT, RCR 2006>2017/DERBI SENDA 2000>2017/APRILIA SX, RX 2006>2017 -00G02200692
Plus d'informations
Quantité requise :
1
|
35
|
 |
Référence P2R |
63687
|
 |
Référence constructeur |
000111413005 |
VIS PARKER (4,8X13) CRUCIFORME ORIGINE COMMUN A LA GAMME -00011141300
Plus d'informations
Quantité requise :
1
|
36
|
 |
Référence P2R |
151094
|
 |
Référence constructeur |
2B005365 |
GRILLE DE RADIATEUR ORIGINE PIAGGIO 50 GILERA SMT, RCR 2006>/DERBI SENDA 2000>/APRILIA SX, RX 2006> -2B005365
Plus d'informations
Quantité requise :
1
|
37
|
 |
Référence P2R |
64119
|
 |
Référence constructeur |
00G04401462 |
ECROU TOLE (M5) ORIGINE PIAGGIO COMMUN A LA GAMME -00G04401462
Plus d'informations
Quantité requise :
1
|
38
|
 |
Référence P2R |
63702
|
 |
Référence constructeur |
000121515005 |
00012151500 - VIS A TETE RONDE A FENTES C
Plus d'informations
Quantité requise :
1
|