mobile menu icon P2R logo

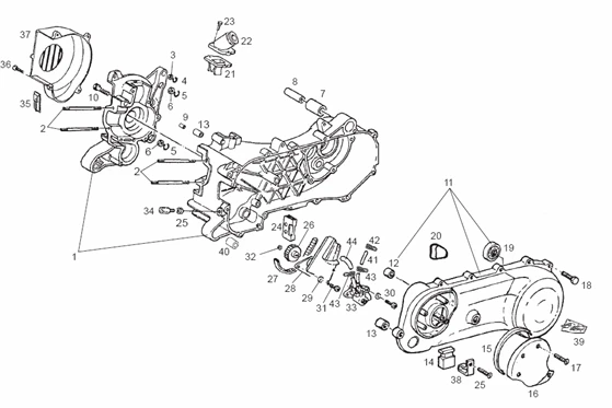
Vehicle Exploded View - DERBI ATLANTIS 50 Atlantis 50 Two Chic 3ª ed E2 2005 (EMEA NAFTA) DERBI

Moteur : 16 POMPE HUILE
Pompe huile
Search
CM1273395 - CARTER

1

P2R reference P2R reference
Maker reference Maker reference
More information

Quantity required : 1

CYLINDER STUD BOLT "PIAGGIO GENUINE PART" 50 ZIP, TYPHOON, FLY, NRG/ GILERA 50 STALKER, RUNNER 2 stroke/ APRILIA SR, SR MOTARD 2 stroke -1A003633R

2

P2R reference P2R reference
Maker reference Maker reference
More information

Quantity required : 1

020006 - ECROU

3

P2R reference P2R reference
Maker reference Maker reference
More information

Quantity required : 1

287223 - CIRCLIPS

4

P2R reference P2R reference
Maker reference Maker reference
More information

Quantity required : 1

113533 - BAGUE

5

P2R reference P2R reference
Maker reference Maker reference
More information

Quantity required : 1

NUT - M8 "PIAGGIO GENUINE PART" COMMON TO ALL THE RANGE -020008

6

P2R reference P2R reference
Maker reference Maker reference
More information

Quantity required : 1

SILENBLOC FOR CRANKCASE (SHOCK ABSORBER SUPPORT) "PIAGGIO GENUINE PART" COMMON TO THE RANGE SCOOTER 50 CC -267823

7

P2R reference P2R reference
Maker reference Maker reference
More information

Quantity required : 1

SPACER- FOR ABSORBER SILENTBLOC "PIAGGIO GENUINE PART" COMMON TO THE RANGE SCOOTER 50 CC -266625

8

P2R reference P2R reference
Maker reference Maker reference
More information

Quantity required : 1

CRANKCASE PIN Ø9,5 "PIAGGIO GENUINE PART" COMMON FOR ALL THE RANGE -B015956

9

P2R reference P2R reference
Maker reference Maker reference
More information

Quantity required : 1

SCREW - "PIAGGIO GENUINE PART" COMMON TO THE RANGE -B017632

10

P2R reference P2R reference
Maker reference Maker reference
More information

Quantity required : 1

TRANSMISSION COVER "PIAGGIO GENUINE PART" 50 TYPHOON, NRG, VESPA PRIMAVERA, SPRINT/GILERA 50 RUNNER/APRILIA 50 SR, MOJITO -8284535

11

P2R reference P2R reference
Maker reference Maker reference
More information

Quantity required : 1

KICK STARTER BUSH "PIAGGIO GENUINE PART" 50 FLY 2 stroke, LIBERTY 2 stroke, NRG, TYPHOON, VESPA LX 2 stroke/GILERA 50 STALKER, RUNNER -286209

12

P2R reference P2R reference
Maker reference Maker reference
More information

Quantity required : 1

BRONZE RING Ø12XØ8X8 "PIAGGIO GENUINE PART" COMMON TO ALL THE RANGE SCOOTER/MAXISCOOTER -431860

13

P2R reference P2R reference
Maker reference Maker reference
More information

Quantity required : 1

463872 - TAMPON BEQUILLE

14

P2R reference P2R reference
Maker reference Maker reference
More information

Quantity required : 1

482432 - JOINT

15

P2R reference P2R reference
Maker reference Maker reference
More information

Quantity required : 1

830821 - COUVERCLE DT

16

P2R reference P2R reference
Maker reference Maker reference
More information

Quantity required : 1

SCREW - FOR VARIATOR COOLING COVER "PIAGGIO GENUINE PART" GILERA RUNNER / PIAGGIO NRG, TYPHOON, ZIP/ VESPA ET4, LX , S ,PRIMAVERA, SPRINT -435295

17

P2R reference P2R reference
Maker reference Maker reference
More information

Quantity required : 1

SCREW - FOR CRANKCASE "PIAGGIO GENUINE PART" COMMON TO THE RANGE -414838

18

P2R reference P2R reference
Maker reference Maker reference
More information

Quantity required : 1

BEARING FOR TRANSMISSION HOUSING "PIAGGIO GENUINE PART" 50 TYPHOON, NRG, LIBERTY, ZIP/GILERA 50 STALKER, RUNNER/APRILIA 50 SR/VESPA 50 LX -82521R

19

P2R reference P2R reference
Maker reference Maker reference
More information

Quantity required : 1

286207 - TAMPON

20

P2R reference P2R reference
Maker reference Maker reference
More information

Quantity required : 1

REED VALVE "PIAGGIO GENUINE PART" COMMON TO ALL SCOOTER 50 CC 2 stroke (FRAME N- RECOMMENDED) -82775R

21

P2R reference P2R reference
Maker reference Maker reference
More information

Quantity required : 1

INTAKE MANIFOLD "PIAGGIO GENUINE PART" 50 FLY, LIBERTY, NRG, TYPHOON, ZIP/VESPA 50 LX/GILERA 50 RUNNER, STALKER/APRILIA 50 SPORT-CITY, SR -1A008824

22

P2R reference P2R reference
Maker reference Maker reference
More information

Quantity required : 1

1A000352 - BOULON M6 X 22

23

P2R reference P2R reference
Maker reference Maker reference
More information

Quantity required : 1

1A000352 - BOULON M6 X 22

23

P2R reference P2R reference
Maker reference Maker reference
More information

Quantity required : 1

287021 - PASSE CABLES

24

P2R reference P2R reference
Maker reference Maker reference
More information

Quantity required : 1

020106 - ECROU S02010600

25

P2R reference P2R reference
Maker reference Maker reference
More information

Quantity required : 1

OIL PUMP GEAR "PIAGGIO GENUINE PART" 50 TYPHOON, NRG, FLY, LIBERTY, ZIP/GILERA 50 STALKER, RUNNER/APRILIA 50 SR/VESPA 50 LX -1A007694

26

P2R reference P2R reference
Maker reference Maker reference
More information

Quantity required : 1

OIL PUMP BELT "PIAGGIO GENUINE PART" 50 ZIP, TYPHOON, LIBERTY, FLY, NRG, VESPA LX/GILERA 50 STALKER, RUNNER/APRILIA 50 SR MOTARD, SPORT-CITY -286162

27

P2R reference P2R reference
Maker reference Maker reference
More information

Quantity required : 1

OIL PUMP PLATE "PIAGGIO GENUINE PART" COMMON TO THE RANGE SCOOTER 50 2 stroke -286163

28

P2R reference P2R reference
Maker reference Maker reference
More information

Quantity required : 1

006975 - RONDELLE S00697500

29

P2R reference P2R reference
Maker reference Maker reference
More information

Quantity required : 1

SCREW - 5X21 "PIAGGIO GENUINE PART" COMMON TO ALL THE RANGE -015856

30

P2R reference P2R reference
Maker reference Maker reference
More information

Quantity required : 1

SCREW - 5x12 "PIAGGIO GENUINE PART" COMMON TO ALL THE RANGE -015585

31

P2R reference P2R reference
Maker reference Maker reference
More information

Quantity required : 1

WATER PUMP SHIM WASHER "PIAGGIO GENUINE PART" COMMON TO ALL THE RANGE 50 CC 2 stroke 287073

32

P2R reference P2R reference
Maker reference Maker reference
More information

Quantity required : 1

OIL PUMP "PIAGGIO GENUINE PART" 50 TYPHOON, NRG, ZIP, FLY, LIBERTY 2000> /APRILIA 50 SR H2O 2003>/GILERA 50 STALKER, RUNNER, DNA 2000> -82605R

33

P2R reference P2R reference
Maker reference Maker reference
More information

Quantity required : 1

OIL PUMP "PIAGGIO GENUINE PART" PIAGGIO 50 ZIP, TYPHOON, LIBERTY, FLY, NRG, VESPA LX/GILERA 50 STALKER, RUNNER/APRILIA 50 SR MOTARD, SPORT-CITY -82652R

33

P2R reference P2R reference
Maker reference Maker reference
More information

Quantity required : 1

SCREW - FOR OIL PUMP CABLE ADJUSTER "PIAGGIO GENUINE PART" COMMON TO THE RANGE SCOOTER 50 CC 2 stroke -146197

34

P2R reference P2R reference
Maker reference Maker reference
More information

Quantity required : 1

827425 - PASSE-CABLE

35

P2R reference P2R reference
Maker reference Maker reference
More information

Quantity required : 1

SCREW - 5X21 "PIAGGIO GENUINE PART" COMMON TO ALL THE RANGE -015856

36

P2R reference P2R reference
Maker reference Maker reference
More information

Quantity required : 1

IGNITION FLYWHEEL COVER "PIAGGIO GENUINE PART" COMMUN A TOUTE LA GAMME SCOOTER 50 CC 2 stroke -833817

37

P2R reference P2R reference
Maker reference Maker reference
More information

Quantity required : 1

FIXING PLATE FOR BRAKE CABLE ON CRANKCASE "PIAGGIO GENUINE PART" FLY, LIBERTY, TYPHOON, NRG, ZIP/ VESPA LX, SPRINT, S -564497

38

P2R reference P2R reference
Maker reference Maker reference
More information

Quantity required : 1

833700 - BOUCHON

39

P2R reference P2R reference
Maker reference Maker reference
More information

Quantity required : 1

SILENTBLOC FOR CRANKCASE "PIAGGIO GENUINE PART" COMMON TO THE RANGE SCOOTER 50 2 stroke -266773

40

P2R reference P2R reference
Maker reference Maker reference
More information

Quantity required : 1

HOSE FROM OIL PUMP TO CARB "PIAGGIO GENUINE PART" COMMON TO THE RANGE SCOOTER 50 CC -CM101605

41

P2R reference P2R reference
Maker reference Maker reference
More information

Quantity required : 1

42

P2R reference P2R reference
Maker reference Maker reference
231590 - CLIPS

43

P2R reference P2R reference
Maker reference Maker reference
More information

Quantity required : 1

OIL HOSE-FROM TANK TO OIL PUMP "PIAGGIO GENUINE PART" COMMON TO THE RANGE SCOOTER 50 CC -CM101509

44

P2R reference P2R reference
Maker reference Maker reference
More information

Quantity required : 1

All the exploded views of this vehicle

Filter :
Or choose :