Vehicle Exploded View - PIAGGIO VU APE TM ESSENCE 200 APE TM 703 FL2 220CC 2T 1999-2004
Transmisisons : T77 COMMANDE CHANGEMENT DE VITESSE (P703V)
All the exploded views of this vehicle
-
-
T1 Moteur complet
-
T10 Pompe huile melangeur
-
T100 Comm. distributeur pompe
-
T101 Piston hydraulique
-
T102 Moteur d'essuie-glace
-
T103 Dispositif des basculant
-
T11 Butee transmissions-tuyaux huile
-
T12 Couvercle d'embrague
-
T13 Reservoir d'huile
-
T14 Fourchette changement vitesses
-
T15 Engrenages changement de vitesses
-
T16 Differentiel
-
T17 Demi-arbres
-
T18 Carter differentiel
-
T19 Volant magnetique
-
T2 Carter complet
-
T20 Couvercle limaçon
-
T21 Ancrage av. moteur
-
T22 Ancrage ar. moteur
-
T23 Dynastart
-
T24 Carburateur
-
T25 Carburateur
-
T26 Carburateur
-
T27 Tuyau aspiration air-support filtre a air
-
T28 Tuyau adduction air
-
T29 Tuyau adduction air
-
T3 Fixations carter
-
T30 Degivreur
-
T31 Silencieux
-
T32 Roue
-
T33 Protection moteur
-
T34 Paresoleil-bravolet
-
T34/A Retroviseur-plafonnier
-
T35 Chassis
-
T36 Pieces composant le chassis
-
T37 Pieces composant le chassis
-
T38 Portes cabine
-
T39 Serrure portes
-
T4 Roulements du vilebrequin
-
T40 Leve-glace
-
T41 Gardedoues
-
T42 Protection-porte-projecteurs
-
T43 Tableau de bord
-
T44 Siege
-
T45 Reservoir carburant
-
T46 Guidon (p703)
-
T47 Guidon (p703)
-
T48 Guidon (p703)
-
T49 Volant (p703v)
-
T5 Vilebrequin
-
T50 Boîte de direction (p703v)
-
T51 Levier comm. direction p703v
-
T52 Ensemble butees de la direction
-
T53 Colonne de direction
-
T54 Amortisseur av.
-
T55 Cylindres frein av.
-
T56 Tambour frein av.
-
T57 Triangle suspension ar.
-
T58 Amortisseur ar.
-
T59 Fixation tambour ar.
-
T6 Ensemble cylindre-piston-axe de piston
-
T60 Machoires frein ar.
-
T61 Moyeu-joint elastique roue ar.
-
T62 Moyeu roue ar.
-
T63 Cylindre frein roue ar.
-
T64 Tuyau frein roue
-
T65 Uyau frein roue ar.
-
T66 Transmissions
-
T67 Transmissions frein a la main
-
T68 Transmissions (p703)
-
T69 Transmissions (p703v)
-
T7 Culasse-coiffe de refroidissement
-
T70 Transmissions
-
T71 Transmissions commande m.a
-
T72 Gr. leviers
-
T73 Fixation maître cylindre et pedale frein
-
T74 Fixation maître cylindre
-
T75 Maître cylindre
-
T76 Reservoir huile freins-interrupteur stop
-
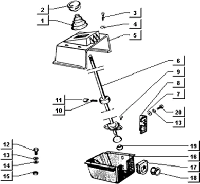
T77 Commande changement de vitesse (p703v)
-
T78 Tirants comm. changement de vit. p703v
-
T79 Pedalier (p703v)
-
T8 Engrenage multiple
-
T80 Trousse a outils
-
T81 Installation electrique
-
T82 Projecteur-clignotant
-
T83 Essuie-glace plafonnier
-
T84 Feu ar.
-
T85 Tableau de bord-commutateur a cle
-
T86 Cable negatif et positif
-
T87 Dispositifs electriques
-
T88 Plateau (en tole)
-
T88/A Plateau ridelle et portillon en alliage
-
T89 Fourgon
-
T9 Embrayage
-
T90 Fourgon
-
T91 Porte inspection moteur
-
T92 Installation eclairage interieur fourgon
-
T93 Poignee
-
T94 Plateau basculant
-
T95 Plateau basculant
-
T96 Plateau basculant
-
T97 Ensemble pompe-distributeur
-
T98 Reservoir d'huile
-
T99 Arbre de transmission