mobile menu icon P2R logo

Vehicle Exploded View - APRILIA TUONO 660 4T 8V E5+ Factory 2025 (EMEA) APRILIA

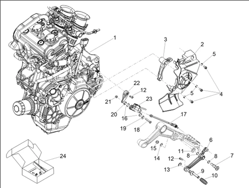
Moteur : 03.01 MOTEUR-GROUPE COMPLEMENTAIRE
Moteur-Groupe complementaire
Search
CM2966235 - LIGHT EMEA E5 PLUS RS-TUONO 660 ENGINE

1

P2R reference P2R reference
Maker reference Maker reference
More information

Quantity required : 1

2B005847 - SPROCKET COVER

2

P2R reference P2R reference
Maker reference Maker reference
More information

Quantity required : 1

2B005886 - CRANKCASE PROTECTION

3

P2R reference P2R reference
Maker reference Maker reference
More information

Quantity required : 1

AP8152277 - VIS BRIDE

4

P2R reference P2R reference
Maker reference Maker reference
More information

Quantity required : 3

AP8121811 - "DOUILLE EN ""T"""

5

P2R reference P2R reference
Maker reference Maker reference
More information

Quantity required : 3

2B006353 - ASSEMBLED GEAR LEVER

6

P2R reference P2R reference
Maker reference Maker reference
More information

Quantity required : 1

2B012762 - PIVOT MAN.FREIN ARR.

7

P2R reference P2R reference
Maker reference Maker reference
More information

Quantity required : 1

AP8144007 - JOINT TORIQUE

8

P2R reference P2R reference
Maker reference Maker reference
More information

Quantity required : 2

REAR BRAKE PEDAL PIN "PIAGGIO GENUINE PART" POUR MOTO-GUZZI 850-1200 NORGE, BREVA, 1200 SPORT/GEAR SELECTOR PIN FOR APRILIA MOTORBIKES -AP8121221

9

P2R reference P2R reference
Maker reference Maker reference
More information

Quantity required : 1

LEVER RUBBER for REAR BRAKE LEVER "PIAGGIO GENUINE PART" FOR MOTO-GUZZI 850-1200 NORGE, BREVA, 1200 SPORT -AP8120912

10

P2R reference P2R reference
Maker reference Maker reference
More information

Quantity required : 1

AP8150020 - RONDELLE

11

P2R reference P2R reference
Maker reference Maker reference
More information

Quantity required : 1

AP8224470 - VIS

12

P2R reference P2R reference
Maker reference Maker reference
More information

Quantity required : 2

AP8150462 - BAGUE SEEGER

13

P2R reference P2R reference
Maker reference Maker reference
More information

Quantity required : 1

SPRING WASHER "PIAGGIO GENUINE PART" COMMON TO ALL THE RANGE -AP8150376

14

P2R reference P2R reference
Maker reference Maker reference
More information

Quantity required : 1

AP8150431 - ECROU AUTOFR. BAS

15

P2R reference P2R reference
Maker reference Maker reference
More information

Quantity required : 1

AP8220177 - JOINT TORIQUE

16

P2R reference P2R reference
Maker reference Maker reference
More information

Quantity required : 2

2B005643 - ASSEMBLED GEAR SHIFT ROD

17

P2R reference P2R reference
Maker reference Maker reference
More information

Quantity required : 1

898463 - VIS FHC

18

P2R reference P2R reference
Maker reference Maker reference
More information

Quantity required : 1

898134 - DOUILLE

19

P2R reference P2R reference
Maker reference Maker reference
More information

Quantity required : 1

2B007255 - BUSH

20

P2R reference P2R reference
Maker reference Maker reference
More information

Quantity required : 1

AP8152299 - ECROU AUTOBLOQU.

21

P2R reference P2R reference
Maker reference Maker reference
More information

Quantity required : 1

2B011144 - GEARSHIFT CONTROL LEVER

22

P2R reference P2R reference
Maker reference Maker reference
More information

Quantity required : 1

2D000690 - QUICK SHIFT UNIT

23

P2R reference P2R reference
Maker reference Maker reference
More information

Quantity required : 1

1L006293C - KIT EQUIPMENT FOR VEHICLE TRANSFORMAT.

24

P2R reference P2R reference
Maker reference Maker reference
More information

Quantity required : 1

All the exploded views of this vehicle

Filter :
Or choose :