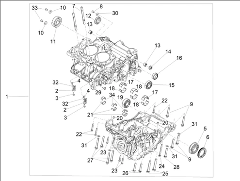
1
|
 |
P2R reference |
222891
|
 |
Maker reference |
1A0248835 |
1A0248835 - CARTER MOTEUR
More information
Quantity required :
1
|
2
|
 |
P2R reference |
219409
|
 |
Maker reference |
1A0234985 |
1A0234985 - BUSE DE REFROIDISSEMENT PISTON
More information
Quantity required :
2
|
3
|
 |
P2R reference |
109891
|
 |
Maker reference |
B018718 |
B018718 - VIS INC.M5X14
More information
Quantity required :
2
|
4
|
 |
P2R reference |
159234
|
 |
Maker reference |
1A005178 |
1A005178 - O-RING
More information
Quantity required :
2
|
5
|
 |
P2R reference |
171541
|
 |
Maker reference |
1A011875 |
1A011875 - BALL BEARING 30.62.16 WITH SNAP RING
More information
Quantity required :
1
|
6
|
 |
P2R reference |
171542
|
 |
Maker reference |
1A013139 |
1A013139 - SEAL RING
More information
Quantity required :
1
|
7
|
 |
P2R reference |
161355
|
 |
Maker reference |
1A011257 |
1A011257 - VIS SANS TETE
More information
Quantity required :
6
|
8
|
 |
P2R reference |
174875
|
 |
Maker reference |
1A017040 |
1A017040 - VIS TBEI BRIDEE M5X12
More information
Quantity required :
2
|
9
|
 |
P2R reference |
72719
|
 |
Maker reference |
B016773 |
 |
Replaced by référence
109872
|
B016773 - VIS M8X50
More information
Quantity required :
9
|
10
|
 |
P2R reference |
70508
|
 |
Maker reference |
873905 |
873905 - RONDELLE
More information
Quantity required :
2
|
11
|
 |
P2R reference |
39048
|
 |
Maker reference |
848651 |
848651 - ROULEMENT
More information
Quantity required :
1
|
12
|
 |
P2R reference |
212432
|
 |
Maker reference |
1A025098R |
1A025098R - ROULEMENT A BILLES
More information
Quantity required :
1
|
13
|
 |
P2R reference |
62498
|
 |
Maker reference |
B045224 |
B045224 - CAGE A ROULEAUX
More information
Quantity required :
1
|
14
|
 |
P2R reference |
40311
|
 |
Maker reference |
1A017552 |
GASKET FOR ENGINE CRANKCASE "PIAGGIO GENUINE PART" APRILIA 1000 RSV-4, TUONO -857127
More information
Quantity required :
1
|
15
|
 |
P2R reference |
171544
|
 |
Maker reference |
1A011892 |
1A011892 - BALL BEARING 25.47.12 WITH ONE SEALING
More information
Quantity required :
1
|
16
|
 |
P2R reference |
212435
|
 |
Maker reference |
1A024177R |
1A024177R - CAGE A ROUL.
More information
Quantity required :
1
|
17
|
 |
P2R reference |
171545
|
 |
Maker reference |
1A0162430R |
1A0162430R - CRANKSHAFT HALF BEARING RED
More information
Quantity required :
2
|
17
|
 |
P2R reference |
171546
|
 |
Maker reference |
1A0252050V |
1A0162430V - CRANKSHAFT HALF BEARING GREEN
More information
Quantity required :
2
|
17
|
 |
P2R reference |
219410
|
 |
Maker reference |
1A0252050B |
1A0252050B - CRANKSHAFT HALF BEARING
More information
Quantity required :
2
|
17
|
 |
P2R reference |
219411
|
 |
Maker reference |
1A0252050M |
1A0252050M - CRANKSHAFT HALF BEARING
More information
Quantity required :
2
|
17
|
 |
P2R reference |
171549
|
 |
Maker reference |
1A0252050G |
1A0162430G - CRANKSHAFT HALF BEARING YELLOW
More information
Quantity required :
2
|
18
|
 |
P2R reference |
213510
|
 |
Maker reference |
1A0252060B |
1A0252060B - CRANKSHAFT HALF BEARING BLU
More information
Quantity required :
4
|
18
|
 |
P2R reference |
171551
|
 |
Maker reference |
1A0162440M |
1A0162440M - CRANKSHAFT HALF BEARING BROWN
More information
Quantity required :
4
|
18
|
 |
P2R reference |
171552
|
 |
Maker reference |
1A0162440V |
1A0162440V - CRANKSHAFT HALF BEARING GREEN
More information
Quantity required :
4
|
18
|
 |
P2R reference |
218237
|
 |
Maker reference |
1A0252060G |
1A0252060G - CRANKSHAFT HALF BEARING GIALLO
More information
Quantity required :
4
|
18
|
 |
P2R reference |
219412
|
 |
Maker reference |
1A0252060R |
1A0252060R - CRANKSHAFT HALF BEARING ROSSO
More information
Quantity required :
4
|
19
|
 |
P2R reference |
218238
|
 |
Maker reference |
1A020897 |
1A020897 - BALL BEARING 25X52X15 WITH STOPPER/RING
More information
Quantity required :
1
|
20
|
 |
P2R reference |
40383
|
 |
Maker reference |
857427 |
857427 - GOUPILLE
More information
Quantity required :
2
|
21
|
 |
P2R reference |
222892
|
 |
Maker reference |
1A025207N |
1A025207N - COUNTERSHAFT HALF BEARING
More information
Quantity required :
1
|
21
|
 |
P2R reference |
174872
|
 |
Maker reference |
1A019559G |
1A019559G - COUNTERSHAFT HALF BEARING
More information
Quantity required :
1
|
21
|
 |
P2R reference |
213511
|
 |
Maker reference |
1A025207R |
1A025207R - COUNTERSHAFT HALF BEARING
More information
Quantity required :
1
|
21
|
 |
P2R reference |
213512
|
 |
Maker reference |
1A025207B |
1A025207B - COUNTERSHAFT HALF BEARING
More information
Quantity required :
6
|
22
|
 |
P2R reference |
151716
|
 |
Maker reference |
1A011120 |
1A011120 - VIS
More information
Quantity required :
3
|
23
|
 |
P2R reference |
72725
|
 |
Maker reference |
B016792 |
SCREW - M6X30 "PIAGGIO GENUINE PART" COMMON TO ALL THE RANGE MAXISCOOTER -B016792
More information
Quantity required :
4
|
24
|
 |
P2R reference |
66452
|
 |
Maker reference |
434429 |
434429 - VIS
More information
Quantity required :
1
|
25
|
 |
P2R reference |
171556
|
 |
Maker reference |
1A015658 |
1A015658 - FLANGED HEXAGONAL HEAD SCREW
More information
Quantity required :
6
|
26
|
 |
P2R reference |
72730
|
 |
Maker reference |
B016805 |
SCREW 8X45 FOR CHAIN GUIDE "PIAGGIO GENUINE PARTS" GILERA 50 SMT, RCR/APRILIA 50 SX, RX -B016805
More information
Quantity required :
2
|
27
|
 |
P2R reference |
70551
|
 |
Maker reference |
874747 |
874747 - VIS
More information
Quantity required :
4
|
28
|
 |
P2R reference |
151716
|
 |
Maker reference |
1A011120 |
1A011120 - VIS
More information
Quantity required :
1
|
29
|
 |
P2R reference |
174875
|
 |
Maker reference |
1A017040 |
1A017040 - VIS TBEI BRIDEE M5X12
More information
Quantity required :
1
|
30
|
 |
P2R reference |
218239
|
 |
Maker reference |
1A025750 |
1A025750 - PLAQUETTE
More information
Quantity required :
1
|
31
|
 |
P2R reference |
203971
|
 |
Maker reference |
106009 |
 |
Replaced by référence
66689
|
106009 - RONDELLE
More information
Quantity required :
6
|
32
|
 |
P2R reference |
62463
|
 |
Maker reference |
B045126 |
B045126 - CLAPET SURETE
More information
Quantity required :
2
|
33
|
 |
P2R reference |
72638
|
 |
Maker reference |
B013608 |
B013608 - VIS
More information
Quantity required :
2
|
34
|
 |
P2R reference |
222893
|
 |
Maker reference |
1A0249990B |
1A0249990B - COUSSINET DE CONTRE-ARBRE
More information
Quantity required :
1
|
34
|
 |
P2R reference |
222894
|
 |
Maker reference |
1A0249990N |
1A0249990N - COUSSINET DE CONTRE-ARBRE
More information
Quantity required :
1
|
34
|
 |
P2R reference |
222895
|
 |
Maker reference |
1A0249990R |
1A0249990R - COUSSINET DE CONTRE-ARBRE
More information
Quantity required :
1
|