Vehicle Exploded View - PIAGGIO VU APE TM DIESEL 400 Ape TM 703 Diesel LCS 422CC 2005-2012
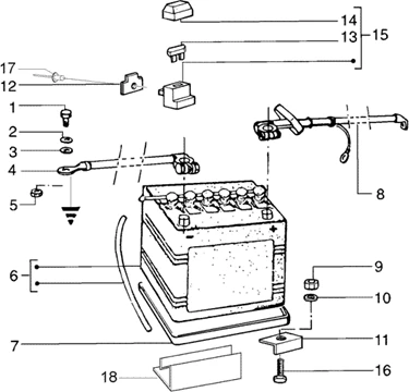
Connexions électriques : T70 BATTERIE
Search
All the exploded views of this vehicle
Filter :
Or choose :
-
-
T1 Moteur Complet
-
T10 Application Silentblocs
-
T11 Protections
-
T12 Châssis
-
T13 Pieces Composant Le Châssis
-
T14 Pieces Composant Le Châssis
-
T15 Porte Cabine
-
T16 Serrure Portes
-
T17 Leve Glace
-
T18 Gardeboues
-
T19 Pare-Soleil – Bavette - Retroviseurs
-
T2 Culasse cylindre - cylindre - piston - bielle
-
T20 Protection Porte Projecteurs
-
T21 Tableau De Bord
-
T22 Siege
-
T23 Vase D’expansion - Radiateur
-
T24 Filtre À Air
-
T25 Canalisation Aspiration Air
-
T26 Rechauffeur
-
T27 Reservoir Carburant
-
T28 Circuit Combustible
-
T29 Guidon (Guidon)
-
T3 Carter - arbre moteur - changement vitesse
-
T30 Guidon (Guidon)
-
T31 Guidon (Guidon)
-
T32 Volant (Volant)
-
T33 Levier Commande Tube De Direction (Volant)
-
T34 Boîte De Direction (Volant)
-
T35 Roulement De Direction
-
T36 Tube De Direction
-
T37 Amortisseur Av
-
T38 Cylindres Frein Av. - Mâchoires
-
T39 Tambour Frein Av.
-
T4 Regulateur
-
T40 Longeron Suspension Ar.
-
T41 Ammortisseur Ar.
-
T42 Fixage Tambour Ar.
-
T43 Mâchoires Frein Ar.
-
T44 Cylindre Frein Roue Ar.
-
T45 Moyeu Roue Ar.
-
T46 Moyeu-Joint Elastique Roue Ar.
-
T47 Roue (Guidon)
-
T48 Roue (Volant)
-
T49 Reservoir Huile Freins
-
T5 Coiffe refroidissement - demarreur - tuyau decharge
-
T50 Maître Cylindre
-
T51 Fixation Maître Cylindre Et Pedale Du Frein (Guidon)
-
T52 Fixation Maître Cylindre (Volant)
-
T53 Tube frein roue av.
-
T54 Tube freins roue ar.
-
T55 Trasmissions
-
T56 Trasmissions
-
T57 Trasmissions (Guidon)
-
T58 Trasmissions (Volant)
-
T59 Transmission commande m.a. guidon
-
T6 Demarreur Electrique
-
T60 Groupe Leviers
-
T61 Groupe Pedales (Volant)
-
T62 Selecteur Changement De Vitesses (Volant)
-
T63 Transmission boîte de vitesse
-
T64 Outilis
-
T65 Equipement Electrique
-
T66 Projecteur - clignotant
-
T67 Essuie-glace - plafonnier
-
T68 Feu ar.
-
T69 Tableau de bord - commutateur a cle
-
T7 Circuit d’alimentation - Filtre à huile
-
T70 Batterie
-
T71 Fixation Cable Positif
-
T72 Boîte De Derivation – Microtelerupteur - Plaque A Bornes
-
T73 Centrale clignotante - contacteur du stop
-
T74 Dispositif commande prechauffage - regiulateur de tension
-
T75 Benne
-
T76 Ridelles Benne
-
T77 Hayon
-
T78 Plateau pick-up aluminium
-
T79 Abattant D'inspection Moteur
-
T8 Boitier changement - differentiel - demi-axes - embrayage version à vitesses
-
T80 Caisse ouverte basc.
-
T81 Ensemble pompe-distributeur
-
T82 Pompe-distributeur
-
T83 Verin Hydraulique
-
T9 Boitier changement - differentiel - demi-axes - embrayage version à vitesses