Vehicle Exploded View - PIAGGIO VU APE TM DIESEL 400 Ape TM 703 Diesel 422CC 1997-2004
Châssis : T52 PROTECTIONS
All the exploded views of this vehicle
-
-
T1 Moteur complet (guidon)
-
T10 Cylindre-piston-axe de piston-bielle
-
T100 Transmission frein a main
-
T101 Transmissions (guidon)
-
T102 Transmissions (volant)
-
T103 Transmission commande m. a. guidon
-
T104 Gr. leviers
-
T105 Groupe pedales (volant)
-
T106 Commande arrêt moteur
-
T106/A Commande arret moteur version allemagne
-
T107 Selecteur changement de vitesses (volant)
-
T108 Tirant côté cabine (volant)
-
T109 Tirant côté changement de vitesses (volant)
-
T11 Culasse
-
T110 Outils-lave glace
-
T111 Installation electrique
-
T112 Projecteur-clignotant
-
T113 Essuie-glace plafonnier
-
T114 Feu ar.
-
T115 Tableau de bord-commutateur a cle
-
T116 Batterie-cable negatif et positif
-
T117 Fixation cable positif
-
T118 Boite de derivation-microtelerupteur-plaque a bornes
-
T119 Centrale clignotante-contacteur du stop
-
T12 Pompe à injection
-
T120 Dispositif commande prechauffage-regulateur de tension-telerupteur
-
T121 Benne
-
T122 Ridelles benne
-
T123 Hayon
-
T124 Porte inspection moteur
-
T125 Fourgon
-
T126 Fourgon
-
T127 Fourgon
-
T128 Poignee
-
T129 Installation eclairage int. fourgon
-
T13 Support arbre a cammes
-
T130 Plateau basculant
-
T131 Plateau basculant
-
T132 Plateau basculant
-
T133 Ensemble pompe-distributeur
-
T134 Reservoir d'huile
-
T135 Arbre de transmission
-
T136 Commande distributeur pompe
-
T137 Verin hydraulique
-
T138 Benne basculante lateralement
-
T14 Arbre a cammes
-
T15 Regulateur avance injection
-
T16 Pompe-engr. distribution
-
T17 Tube pompe huile-culasse-fix. ensemble pompe
-
T18 Ensemble pompe huile
-
T19 Regulateur
-
T2 Moteur complet (volant)
-
T20 Regulateur
-
T21 Boitier de ressort
-
T22 Boitier aimant-leviers
-
T23 Arbre pompe
-
T24 Couvercle-vis reglage-regime maxi
-
T25 Canalisation du ventilateur
-
T26 Demarreur electrique
-
T27 Demarreur electrique
-
T28 Rotor volant
-
T29 Couvercle canalisation-couvercle courroie
-
T3 Carter complet
-
T30 Carter embrayage
-
T31 Couvercle d'embrayage (guidon)
-
T32 Couvercle d'embrayage (volant)
-
T33 Embrayage
-
T34 Pignons boîte de vitesses (guidon)
-
T35 Pignons boite de vitesses version vitesses volant
-
T36 Pignons boite de vitesses version vitesses volant
-
T37 Boitier de selection (guidon)
-
T38 Boitier de selection (volant)
-
T39 Fixations boitier de selection (guidon)
-
T4 Carter
-
T40 Fixations boitier de selection (volant)
-
T41 Differentiel
-
T42 Demi-arbres
-
T43 Jauge d'huile
-
T44 Elements coiffe
-
T45 Silencieux
-
T46 Support moteur
-
T47 Application silentblocs
-
T48 Application culasse
-
T49 Radiateur-electroventilateur
-
T5 Carter
-
T50 Radiateur-electroventilateur
-
T51 Canalisation radiateur-culasse et radiateur pompe
-
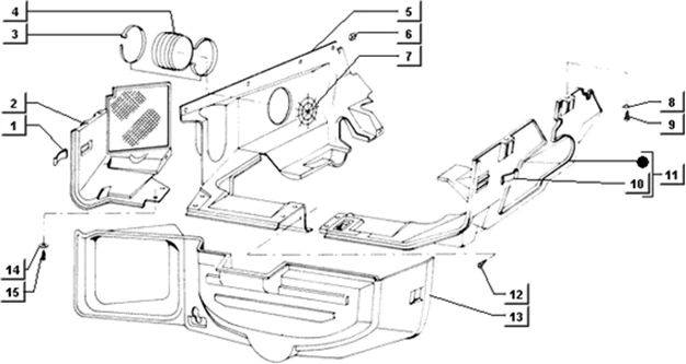
T52 Protections
-
T53 Chassis
-
T54 Pieces composant le chassis
-
T55 Pieces composant le chassis
-
T56 Portes cabine
-
T57 Serrure portes
-
T58 Leve-glace
-
T59 Gardedoues
-
T6 Pignon compteur-km
-
T60 Pare-soleil-bavette-retroviseurs
-
T61 Protection porte-projecteurs
-
T62 Tableau de bord
-
T63 Siege
-
T64 Filtre a air
-
T65 Canalisation aspiration air
-
T66 Conduit air chaud
-
T67 Conduit air chaud
-
T68 Degivreur
-
T69 Reservoir carburant
-
T7 Tubes aspiration-refoulement-vidange huile
-
T70 Tuyau du filtre-pompe à injection-tuyau de pompe a/c-filtre
-
T71 Tuyau aliment. reservoir-pompe ac-tuyau retour carb.
-
T72 Filtro gazole
-
T73 Guidon (guidon)
-
T74 Guidon (guidon)
-
T75 Guidon (guidon)
-
T76 Volant (volant)
-
T77 Levier commande tube de direction (volant)
-
T78 Boîte de direction (volant)
-
T79 Roulements de direction
-
T8 Interrupteurs thermiques-pignon distribution
-
T80 Colonne de direction
-
T81 Amortisseur av.
-
T82 Cylindres frein av.-mâchoires
-
T83 Tambour frein av.
-
T84 Triangle suspension ar.
-
T85 Amortisseur ar.
-
T86 Fixation tambour ar.
-
T87 Machoires frein ar.
-
T88 Cylindre frein roue ar.
-
T89 Moyeu roue ar.
-
T9 Vilebrequin-pignon moteur
-
T90 Moyeu-joint elastique roue ar.
-
T91 Roue (guidon)
-
T92 Roue (volant)
-
T93 Reservoir huile freins
-
T94 Maître cylindre
-
T95 Fixation maître cylindre et pedale du frein (guidon)
-
T96 Fixation maître cylindre (volant)
-
T97 Tube frein roue av.
-
T98 Tube freins roue ar.
-
T99 Transmissions