Icone menu mobile Logo P2R
Créer un compte


Eclatés de véhicule - PIAGGIO FLY 125 4T 2006-2007 PIAGGIO

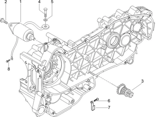
Moteur : 01.20 DÉMARRAGE - DÉMARRAGE ÉLECTRIQUE
Démarrage - Démarrage électrique
Rechercher
DEMARREUR MAXISCOOTER ORIGINE PIAGGIO 125 MP3 2007>, BEVERLY 2005>, X8 2004>, X9 2003>, X10 2012>, X-EVO 2007>, VESPA GTS 2007>/GILERA 125 NEXUS 2007>, RUNNER 4T 2005>/APRILIA 125 ATLANTIC -82611R5

1

Référence P2R Référence P2R
Référence constructeur Référence constructeur
Plus d'informations

Quantité requise : 1

VIS TH (6x22) ORIGINE PIAGGIO COMMUN A LA GAMME -031091

2

Référence P2R Référence P2R
Référence constructeur Référence constructeur
Plus d'informations

Quantité requise : 2

LANCEUR/RENVOI DE DEMARREUR MAXISCOOTER ORIGINE PIAGGIO 125 MP3 2007>, BEVERLY 2005>, X8 2004>, X9 2003>, X10 2012>, X-EVO 2007>, VESPA GTS 2007>/GILERA 125 NEXUS 2007>, RUNNER 4T 2005> -82612R

3

Référence P2R Référence P2R
Référence constructeur Référence constructeur
Plus d'informations

Quantité requise : 1

VIS BRIDE TH (6x10) ORIGINE PIAGGIO COMMUN A LA GAMME -969296

4

Référence P2R Référence P2R
Référence constructeur Référence constructeur
Plus d'informations

Quantité requise : 1

RONDELLE ELASTIQUE (6.4x12x0.5) ORIGINE PIAGGIO COMMUN A LA GAMME -006976

5

Référence P2R Référence P2R
Référence constructeur Référence constructeur
Plus d'informations

Quantité requise : 1

VIS BRIDE TH (6x30) ORIGINE PIAGGIO COMMUN A TOUTE LA GAMME -B016792

6

Référence P2R Référence P2R
Référence constructeur Référence constructeur
Plus d'informations

Quantité requise : 1

COLLIER TOLE DE MAINTIEN ORIGINE PIAGGIO COMMUN A LA GAMME -1C006656

7

Référence P2R Référence P2R
Référence constructeur Référence constructeur
Plus d'informations

Quantité requise : 1

VIS BRIDE TH (6x10) ORIGINE PIAGGIO COMMUN A LA GAMME -969296

8

Référence P2R Référence P2R
Référence constructeur Référence constructeur
Plus d'informations

Quantité requise : 1

Tous les éclatés de ce véhicule

Filtrer :
Ou choisissez :